This website has been archived from TrainWeb.org/jlsrr to TrainWeb.US/jlsrr.
Back to the JLS Railroad Plans Archive
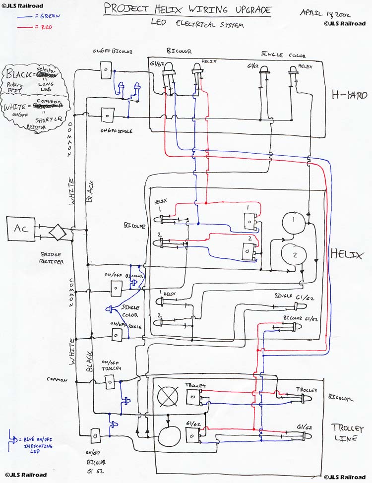
The complex AC and DC electrical system developed to control the Helix, H-Yard, M-Yard, and G-Blocks as well as the readout circuitry used to protect the blocks...
